繁體中文 EnglishDeutsch 收藏本站 在線留言 站點地圖 新浪微博 騰訊微博

您好,歡迎來到港源公司官網!

熱搜關鍵詞: 微型船型開關變壓器品牌臥式貼片插座繼電器生產廠家撥動開關

當前位置首頁 » 港源電子新聞中心 » 行業資訊 » 帶你了解輕觸開關內部組成結構

帶你了解輕觸開關內部組成結構

返回列表 來源:港源 作者: 查看手機網址
掃一掃!帶你了解輕觸開關內部組成結構掃一掃!
瀏覽:- 發布日期:2018-01-03 15:23:26【

   輕觸開關內部結構由五個部分組成

   列:KAN6247 給大家講解:

   1.上蓋:材質為SUS       

   2.推鈕和密封片一體:材質為硅膠

   3.彈片:材質為SUS單面鍍銀     

   4.底座:材質為耐高溫塑料    

   5.端子:材質為黃銅

   如圖:

QQ圖片20180103152700

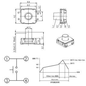
   尺寸圖:


QQ圖片20180103152711


   港源電子專注小型化電子零部件生產研發24年,輕觸開關,微動開關,鈕子開關,自無鎖開關,撥動開關,撥碼開關,防水輕觸開關,帶燈輕觸開關,AC插座,DC插座,耳機插座,匯港繼電器,汽車繼電器,中間繼電器,信號繼電器,功率繼電器,還可定制高頻變壓器,低頻變壓器,磁環變壓器。

   在保證產品品質相當的同時,價格上相比于同行更有競爭優勢。現已成為松下,聯想,華為,LG等大型企業集團開關供應商,并保持良好的合作關系。全國服務熱線:18705771505