輕觸世界 智造未來

小型化開關零組件品牌商

首頁 行業資訊

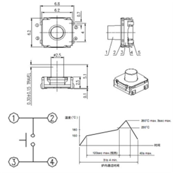
帶你了解輕觸開關內部組成結構

2018-01-03 15:23:26 

輕觸開關內部結構由五個部分組成

列:KAN6247 給大家講解:

1.上蓋:材質為SUS

2.推鈕和密封片一體:材質為硅膠

3.彈片:材質為SUS單面鍍銀

4.底座:材質為耐高溫塑料

5.端子:材質為黃銅

如圖:

QQ圖片20180103152700

尺寸圖:


QQ圖片20180103152711


港源電子專注小型化電子零部件生產研發24年,輕觸開關,微動開關,鈕子開關,自無鎖開關,撥動開關,撥碼開關,防水輕觸開關,帶燈輕觸開關,AC插座,DC插座,耳機插座,匯港繼電器,汽車繼電器,中間繼電器,信號繼電器,功率繼電器,還可定制高頻變壓器,低頻變壓器,磁環變壓器。

在保證產品品質相當的同時,價格上相比于同行更有競爭優勢。現已成為松下,聯想,華為,LG等大型企業集團開關供應商,并保持良好的合作關系。全國服務熱線:18705771505

網友熱評