繁體中文 EnglishDeutsch 收藏本站 在線留言 站點地圖 新浪微博 騰訊微博

您好,歡迎來到港源公司官網!

熱搜關鍵詞: 微型船型開關變壓器品牌臥式貼片插座繼電器生產廠家撥動開關

當前位置首頁 » 港源電子新聞中心 » 行業資訊 » 帶燈輕觸開關 KAN6811

帶燈輕觸開關 KAN6811

返回列表 來源:港源 作者: 查看手機網址
掃一掃!帶燈輕觸開關 KAN6811掃一掃!
瀏覽:- 發布日期:2017-12-30 17:28:11【

   

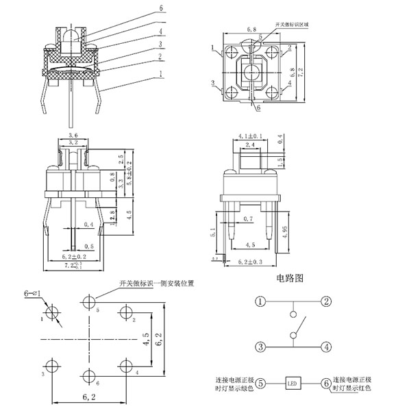
20160924094030_5020

尺寸:7.2*6.8*6.8mm

產品壽命:10萬次/20萬次/50萬次/100萬次

LED燈顏色:紅色、橙色、黃色、綠色、藍色、雙色等  不同顏色的燈價格也會有所不同。

影音產品:辦公設備:白色家電;黑色家電:小家電:安防產品:玩具:儀表儀器;健身器材;醫療器材等。


未標題-1

 

工作溫度

-20℃to+70℃

額定電流

50mA.12V DC

絕緣電阻

100mΩ min.100V DC

介電強度

250V AC for 1 min

接觸電阻

100mΩ max

開關行程

0.25±0.1mm

高  度

6.8mm

按  力

160gf/260gf

 

 

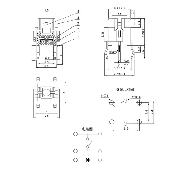
20160924093234_8301

帶燈輕觸開關 KAN0713

尺寸:6×6×7.3mm

產品壽命:10萬次/20萬次/50萬次/100萬次

LED燈顏色:紅色、橙色、黃色、綠色、藍色、雙色等


未標題-2

 

工作溫度

-20℃to+70℃

額定電流

50mA.12V DC

絕緣電阻

100mΩ min.100V DC

介電強度

250V AC for 1 min

接觸電阻

100mΩ max

開關行程

0.25±0.1mm

高  度

7.3mm

按  力

160gf/260gf

 

 

 

 

    帶燈輕觸開關的使用

 

   帶燈輕觸開關的使用越來越流行,也越來越廣泛。帶燈輕觸開關有一定的手感,使用時候不同的力度,可以達到不同效果,特別是使用的力度公差范圍比較小的時候,其手感會更好一些。帶燈輕觸開關的八大優勢,這是帶燈輕觸開關較突出的一個特點,使用帶燈輕觸開關時,彈片的精密度也是很重要的,這種彈片在開關內部,該彈片的作用就是控制帶燈輕觸開關,一單彈片出現問題,那么開關就無法正常使用。

 

帶燈輕觸開關的很多材料自身都有防塵隔電的效果,在日常使用的時候要小心維護。人們可以從帶燈輕觸開關這一隔電材料上著手,杜絕更多的生產隱患。在日常維護檢測帶燈輕觸開關的的時候,我們應注意輕觸開關有沒有因為時間老化變得脆弱變質、靈敏性下降,或者開裂等質量問題。如有發現帶燈輕觸開關有操作異常的情況發生,切記一定不要擅自進行拆卸,這是一個很危險的做法。沒有的維修環境,很多高端電器產品都是需要在隔絕灰塵的環境下進行開箱,因為灰塵會帶有導電的效果。所以帶燈輕觸開的檢測維修一定要在專門的環境下進行。由于帶燈輕觸開關的靈敏性高,所以,在按壓時要注意不能過度用力擠壓。因為無論是精密儀器上的控制按鈕還是簡單及其上的按鍵,它們的原理都一樣,使用時如果用大力按壓或者敲擊等都會降低帶燈輕觸開關本身感應的靈敏程度。

 

港源電子專注研發生產輕觸開關23年,在保證產品品質相當的同時,價格上相比于同行更有競爭優勢。現已成為松下,佳能,聯想,愛安德等大型企業集團開關供應商,并保持良好的合作關系。期待您的光臨。