繁體中文 EnglishDeutsch 收藏本站 在線留言 站點地圖 新浪微博 騰訊微博

您好,歡迎來到港源公司官網!

熱搜關鍵詞: 輕觸貼片開關深圳微動開關廠家繼電器,HKE繼電器,歐姆龍微型繼電器開關插座品牌低頻變壓器高頻變壓器

聯系港源
咨詢熱線: 187-0577-1505

郵箱:sales027@gangyuan.com.cn

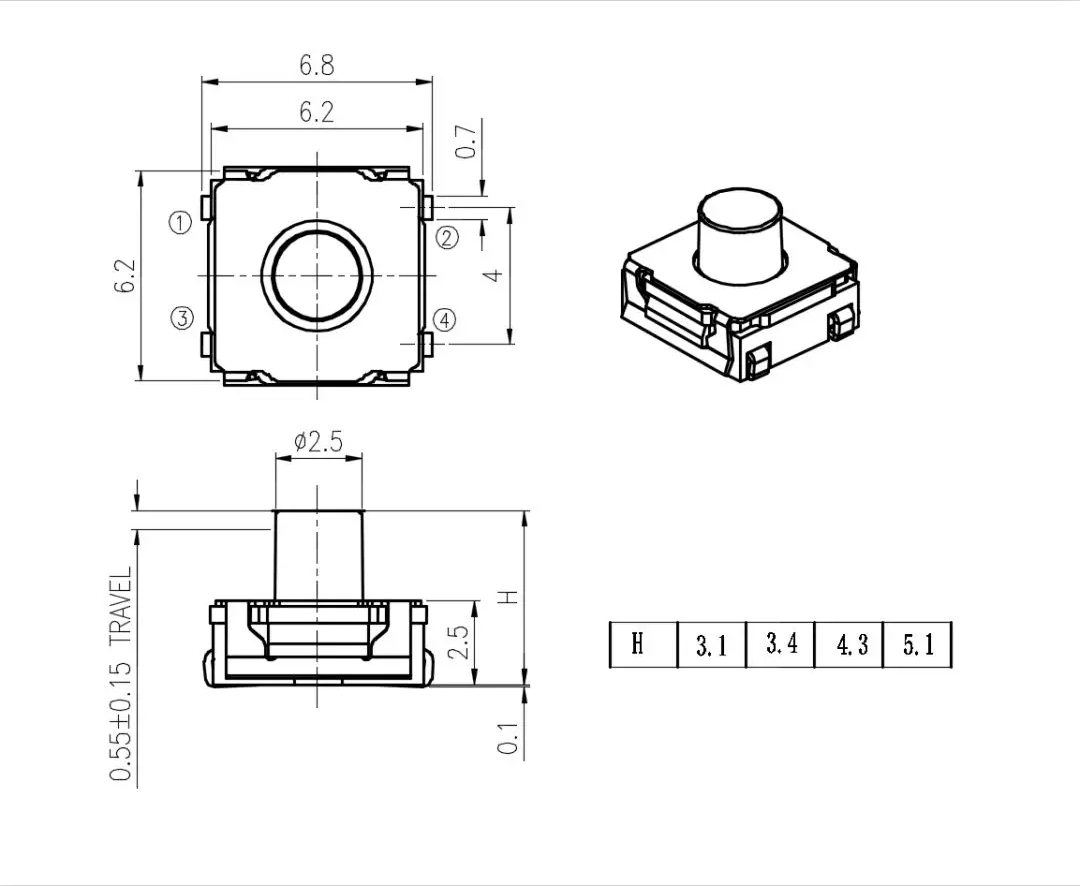
KAN6247貼片輕觸開關

產品型號:KAN6247
產品名稱:硅膠按鍵(SMD)輕觸開關
產品規格:6.2*6.2×H/H=3.1MM/3.4MM/4.3MM/5.1MM
產品力度:160gf±50/200±50gf/260±50gf/ 350gf±100gf/500gf±100gf
產品壽命:10萬次-50萬次
訂購熱線:18705771505
立即咨詢
產品詳情咨詢熱線:18705771505

基本參數/PARAMETER

工作溫度 -40℃to+85℃
額定電流 50mA .12V DC/10μA .1V DC
絕緣電阻 100MΩ min.100VDC
介電強度 250V AC for 1 min
接觸電阻 ≤100MΩ
開關行程 0.25±0.1mm/0.3±0.1mm/0.35±0.15mm/0.45±0.15mm/0.5±0.25mm/0.55±0.25mm
高  度 3.1MM/3.4MM/4.3MM/5.1MM
按  力 160gf±50/200±50gf/260±50gf/350gf±100gf/500gf±100gf

外形圖/SPECIFICATIONS

QQ圖片20181017114851

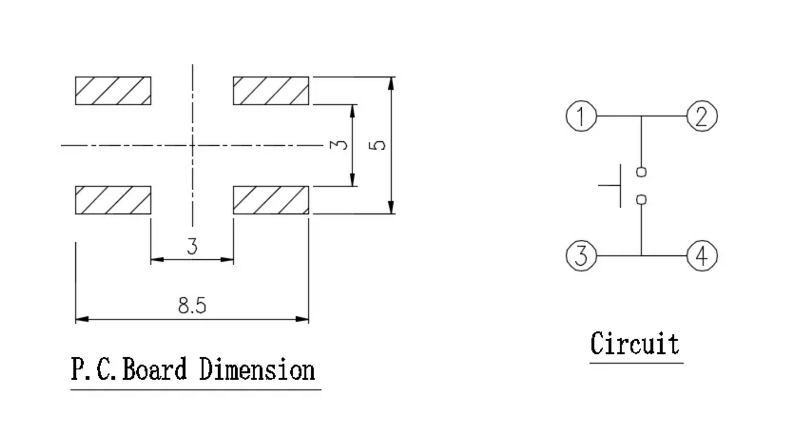
安裝孔尺寸圖/MOUNTING HOLE DIMENSIONS


QQ圖片20181017115308


電路圖/SCHEMATIC

QQ圖片20181017115333

焊接條件/WELDING CONDITIONS

焊接條件

注意事項/PRECAUTIONS

應用行業/By Industry

醫療器材
醫療器材
變頻器
變頻器
筆記本電腦
筆記本電腦
汽車音響開關
汽車音響開關
汽車導航儀
汽車導航儀
AR,VR
AR,VR
測試儀器
測試儀器
安防設備
安防設備
藍牙耳機
藍牙耳機
智能手表
智能手表


GANGYUAN
汽車電子產品

電腦鼠標

汽車門鎖

內部檢測

帶閂鎖驗證

運動限位感應

面板關閉檢測

白色/家電開關

電飯煲

微波爐

熱水器

攪拌器/食物處理器

洗衣機/烘干機

咖啡機

家用便攜設備

家用便攜設備

AR,VR

化學分析儀器

工業設備

無人機

工業設備

轉換器

醫療器械

健康器具

分析檢查器具

醫療器具

移動設備

 筆記本電腦   



精彩觸手可擊港源微鍵發展,品質與信譽同行
QQ圖片20190815154222_副本

1、研發設計

自主設計開發能力,從來不懼模仿

深圳設有獨立的研發中心,具備從產品到制程模具、自動化設備的自主設計開發能力


研發設計


2、多品類配套

做工精細,2000多種規格產品系

防水/防助焊劑/帶LED/超薄/SMD/AIG等多功能設計

以配合產品制程安裝、使用環境的可信賴使用

多品類配套

做工精細,2000多種規格產品


用心堅持專業,服務從心開始

3、快速響應式服務

用心堅持,服務從心開始

24*365小時服務,提供更具競爭力的產品;

高標準、嚴要求、品質有保障

全國服務熱線:187-0577-1505

快速響應式服務

采購:KAN6247貼片輕觸開關

  • *聯系人:
  • *手機:
  • 公司名稱:
  • 郵箱:
  • *采購意向:
  • *驗證碼:驗證碼