繁體中文 EnglishDeutsch 收藏本站 在線留言 站點地圖 新浪微博 騰訊微博

您好,歡迎來到港源公司官網!

熱搜關鍵詞: 微型船型開關變壓器品牌臥式貼片插座繼電器生產廠家撥動開關

當前位置首頁 » 港源電子新聞中心 » 行業資訊 » 港源4.5*4.5輕觸開關

港源4.5*4.5輕觸開關

返回列表 來源:港源 作者: 查看手機網址
掃一掃!港源4.5*4.5輕觸開關掃一掃!
瀏覽:- 發布日期:2019-04-03 14:26:15【

    輕觸開關應用比較廣泛,開關類型分為防水防塵型、貼片型、帶燈型,直插型,超小超薄型,側臥式等,尺寸也有多種,2*33*34*44.5*4.55*56*68*8,12*12.等。而且這其中對于規格不同的開關,都會有著不同的功能,那針對于應用的場景也是有所不同的。那下方接著主要給你們詳細解說關于輕觸開關4.5*4.5規格有哪些以及相關產品的性能解說。

 

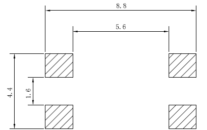
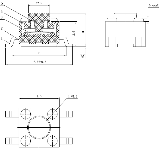
    KAN4541是貼片4.5*4.5輕觸開關,方形輕觸開關,有高度3.8/4.3/4.5/5/5.5/6/7mmKAN4541耐高溫,可以回流焊,而且輕觸開關KAN4541按鍵力度:100g/160g/250g等三種常規克力。其一般主要應用于音響、電視機、家用電器、收音機、電子儀器等行業使用。

 

20180131152922_8932

    輕觸開關KAN4541技術參數

    使用范圍溫度:-20~70

    保存溫度范圍:-30~80

    額定值:DC 12V 50mA

    接觸電阻:≤50mΩ

    絕緣電阻:≥100 MΩ

 

20160926082533_1562

    部件材質

    蓋板:黃銅

    基座:塑料PA66

    引腳:材料黃銅,電鍍材料銀

    按鈕:塑料PA66

    簧片:不銹鋼

 

 

20160926082539_7343

    港源電子現已通過了IAFO9001質量管理體系認證、ISO14001環境體系認證和OHSA18001職業健康管理體系認證、TS16949質量體系認證。我們在生產經營活動中全員參與防治污染,節廢減排,提供符合環保(ROHS)標準的綠色產品,并入選和世界名優產品錄,獲得“電子工業部質量管理、質量信得過產品”稱號,部分安規產品具有美國UL、德國TUV、加拿大CSA、歐洲VDE 認證。服務熱線:18705771505。可提供樣品測試。

那么若是在大家在日常開關的使用上遇到什么不懂的問題,又或者是有需了解更多關于輕觸開關的訊息,都是可以來咨詢我們客服人員。

推薦閱讀

    【本文標簽】:4.5*4.5輕觸開關 4.5*4.5貼片輕觸開關
    【責任編輯】:港源版權所有:http://m.bjzzzy.com轉載請注明出處