輕觸世界 智造未來

小型化開關零組件品牌商

首頁 行業資訊

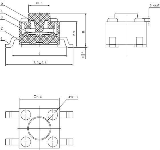
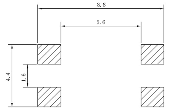
港源4.5*4.5輕觸開關

2019-04-03 14:26:15 

輕觸開關應用比較廣泛,開關類型分為防水防塵型、貼片型、帶燈型,直插型,超小超薄型,側臥式等,尺寸也有多種,2*33*34*44.5*4.55*56*68*8,12*12.等。而且這其中對于規格不同的開關,都會有著不同的功能,那針對于應用的場景也是有所不同的。那下方接著主要給你們詳細解說關于輕觸開關4.5*4.5規格有哪些以及相關產品的性能解說。

KAN4541是貼片4.5*4.5輕觸開關,方形輕觸開關,有高度3.8/4.3/4.5/5/5.5/6/7mmKAN4541耐高溫,可以回流焊,而且輕觸開關KAN4541按鍵力度:100g/160g/250g等三種常規克力。其一般主要應用于音響、電視機、家用電器、收音機、電子儀器等行業使用。

20180131152922_8932

輕觸開關KAN4541技術參數

使用范圍溫度:-20~70

保存溫度范圍:-30~80

額定值:DC 12V 50mA

接觸電阻:≤50mΩ

絕緣電阻:≥100 MΩ

20160926082533_1562

部件材質

蓋板:黃銅

基座:塑料PA66

引腳:材料黃銅,電鍍材料銀

按鈕:塑料PA66

簧片:不銹鋼

20160926082539_7343

港源電子現已通過了IAFO9001質量管理體系認證、ISO14001環境體系認證和OHSA18001職業健康安全管理體系認證、TS16949質量體系認證。我們在生產經營活動中全員參與防治污染,節廢減排,提供符合環保(ROHS)標準的綠色產品,并入選中國和世界名優產品錄,獲得“中國電子工業部質量管理、質量信得過產品”稱號,部分安規產品具有美國UL、德國TUV、加拿大CSA、歐洲VDE國際認證。服務熱線:18705771505。可免費提供樣品測試。

那么若是在大家在日常開關的使用上遇到什么不懂的問題,又或者是有需了解更多關于輕觸開關的訊息,都是可以來咨詢我們客服人員。

網友熱評