繁體中文 EnglishDeutsch 收藏本站 在線留言 站點地圖 新浪微博 騰訊微博

您好,歡迎來到港源公司官網!

熱搜關鍵詞: 微型船型開關變壓器品牌臥式貼片插座繼電器生產廠家撥動開關

當前位置首頁 » 港源電子新聞中心 » 行業資訊 » 側插輕觸開關

側插輕觸開關

返回列表 來源:港源 作者: 查看手機網址
掃一掃!側插輕觸開關掃一掃!
瀏覽:- 發布日期:2019-06-03 09:32:26【

     輕觸開關的規格分為很多種,有立式直插輕觸開關、smd貼片輕觸開關、防水防塵輕觸開關、超小超薄輕觸開關、側插帶支架輕觸開關等等。今天要給大家分享的是側插輕觸開關。

    側插輕觸開關很多人叫它側臥式輕觸開關,帶支架輕觸開關等!

尺寸一般有1.55*42*43*63.5*66*6、現在給大家一一排列

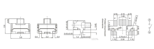
1、 KAN1542  

產品規格:3.9×1.55×2.9mm

產品特點:體積小.長壽命.防水防塵/防助焊劑,防水等級達到IP67.

2

1

產品圖紙

3

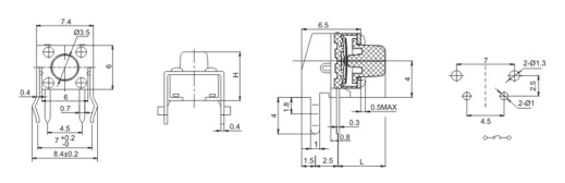
2KAN3531

產品規格:6×3.5×H/H=4.3mm/5mm

產品壽命:5萬次

4


產品圖紙

5

3/KAN0631

產品規格:6×6×L/L=3.15mm-19.85mm

產品壽命:10萬次/20萬次/50萬次/100萬次

6

產品圖紙

7

 港源電子25年專注電子零部制造行業經驗,具備對產品及程設完全自主開發能力可以,為客戶提供、多品類的產配套及定制化開發,同CANON、三星、LG等世界500強企業長期合作,了解行顧客需求,能夠為顧客提供系統化、已驗證可行性的成熟產品解決方案,85%以上的產品自動化制造覆蓋,確保產品品質穩定和可靠交期保證。

提供樣品測試,歡迎來電咨詢。