繁體中文 EnglishDeutsch 收藏本站 在線留言 站點地圖 新浪微博 騰訊微博

您好,歡迎來到港源公司官網!

熱搜關鍵詞: 微型船型開關變壓器品牌臥式貼片插座繼電器生產廠家撥動開關

當前位置首頁 » 港源電子新聞中心 » 行業資訊 » 6*6輕觸開關KAN0616規格參數和應用

6*6輕觸開關KAN0616規格參數和應用

返回列表 來源:港源 作者: 查看手機網址
掃一掃!6*6輕觸開關KAN0616規格參數和應用掃一掃!
瀏覽:- 發布日期:2021-07-27 16:37:32【

每個企業研發新的電子產品,都需要挑選適合的輕觸開關但是難就難在輕觸開關的選擇上,需要從多個方面去考慮,首先就是產品尺寸是否適合新產品的使用:其他方面就是產品質量、產品壽命、成本控制等;最后還要明確自家產品使用輕觸開關的定位,電子元器件,無論是軍工級、汽車級,還是工業產品或者是C端消費電子,不同的點位決定了不同的行業產品規范。接下來港源電子給大家介紹一款6*6輕觸開關;

6*6輕觸開關——產品型號KAN0616

圖片1

輕觸開關KAN0616基本參數:

工作溫度

-20℃to+70℃

額定電流

50mA.12V DC

絕緣電阻

100mΩ min.100V DC

介電強度

250V AC for 1 min

接觸電阻

100mΩ  max

開關行程

0.25±0.1mm

高  度

4.3/4.5/5.5/6.5/7/7.5/8/8.5/9/9.5/10/

10.5/11/11.5/12mm

按  力

160gf/260gf

輕觸開關KAN0616產品高度在生產過程中可以調節高度尺寸4.3-12mm產品力度可供選擇;產品力度:160gf/260gf,產品壽命:10萬次

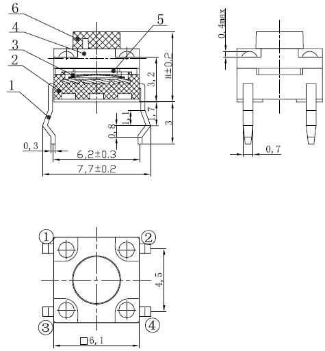
外形圖:

圖片2

安裝尺寸圖

圖片3

焊接條件

圖片4

KAN0616型號應用十分廣泛,在醫療儀器數碼相機電腦外設通訊設備健生器材安防產品影音設備玩具行業遙控設備家用電器等家用電智能穿戴、數碼產品、通訊產品、手機、平板、汽車電子等結構緊湊的電子設備都有應用。


行車記錄儀-KAN0616應用案例

圖片5

港源電子創立于1994年,專注于輕觸開關等電子開關插座、變壓器、繼電器系列產品的研發、生產和銷售。產品主要應用于家用電器、3C(計算機、通訊、消費電子)、辦公設備、醫療、安防、個人護理、汽車電子、工業控制等領域。全國服務熱線:18705771505