繁體中文 EnglishDeutsch 收藏本站 在線留言 站點地圖 新浪微博 騰訊微博

您好,歡迎來到港源公司官網!

熱搜關鍵詞: 微型船型開關變壓器品牌臥式貼片插座繼電器生產廠家撥動開關

當前位置首頁 » 港源電子新聞中心 » 行業資訊 » 5*5銅頭貼片輕觸開關——KAN0542,KAN0541

5*5銅頭貼片輕觸開關——KAN0542,KAN0541

返回列表 來源:港源 作者: 查看手機網址
掃一掃!5*5銅頭貼片輕觸開關——KAN0542,KAN0541掃一掃!
瀏覽:- 發布日期:2017-12-29 14:20:38【

5*5銅頭貼片輕觸開關——KAN0542,KAN0541

  KAN0542、KAN0541產品特點:防塵/防助焊劑/銅頭;產品應用廣泛,可應用于智能穿戴移動電源平板電腦GPS導航設備影音產品數碼產品遙控器通訊產品白色家電黑色家電小家電醫療器材等

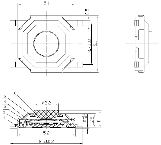
KAN0541 

貼片輕觸開關KAN0542

   外形圖:

  

KAN0541                 

   基本參數:

   工作溫度:-20℃to+70℃

   額定電流:50mA.12V DC

   絕緣電阻:100mΩ min.100V DC

   介電強度:250V AC for 1 min

   接觸電阻:100mΩ  max

   開關行程:0.25±0.1m

   高  度:1.5/1.6/1.7/2.0/2.5/3.0/4.3mm

   按  力:100gf/160gf/260gf

   壽   命:10萬次/20萬次/50萬次/100萬次

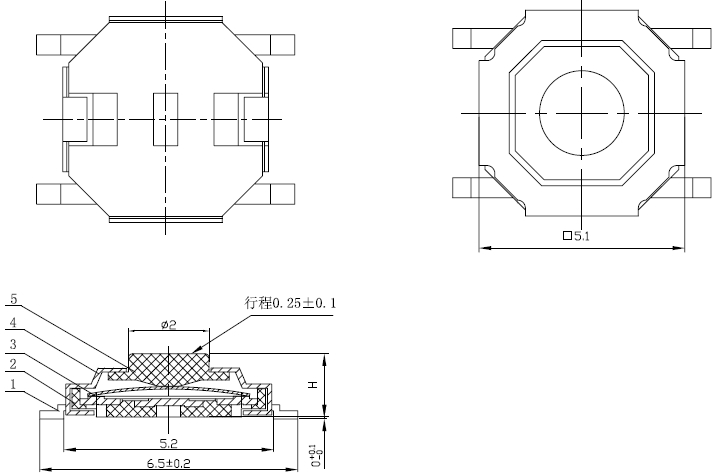
   KAN0542 

KAN0542 

 外形圖:

KAN0542

   基本參數:

   工作溫度:-20℃to+70℃

   額定電流:50mA.12V DC

   絕緣電阻:100mΩ min.100V DC

   介電強度:250V AC for 1 min

   接觸電阻:100mΩ  max

   開關行程:0.25±0.1m

   高  度:1.5/1.6/1.7/2.0/2.5/3.0/4.3mm

   按  力:100gf/160gf/260gf

   壽   命:產品壽命:10萬次/20萬次/50萬次/100萬次。


港源電子


   港源電子創立于1994年,專注于輕觸開關等電子開關插座、變壓器、繼電器系列產品的研發、生產和銷售。港源總部位于浙江省樂清市,在浙江樂清、湖北廣水、廣東深圳分設3個制造工廠,在廣東深圳設有獨立的研發中心;公司在深圳、合肥、香港、新加坡設有銷售分公司,并在國內北京、上海、廣州、惠州和海外韓國、巴西各設有銷售代表處,全球職工800余人。全國服務熱線:18705771505