| 工作溫度 |
-20℃~65℃(在標準大氣壓、標準濕度條件下)
|
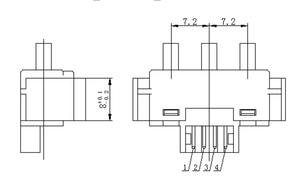
| 接觸形式 | 1P1T |
| 絕緣電阻 |
≥100MΩ
|
| 接觸電阻 | 100m Ω max |
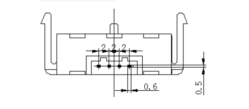
| 開關行程 |
空行程:1.5±0.3mm
導通行程:3.5±0.3mm
總行程: 5±0.3mm
|
| 壽 命 | 150000 |
| 按 力 |
80 ±20 gf
|

|
1、研發設計 自主設計開發能力,從來不懼模仿 深圳設有獨立的研發中心,具備從產品到制程模具、自動化設備的自主設計開發能力
|
|
2、多品類配套 做工精細,2000多種規格產品系 防水/防助焊劑/帶LED/超薄/SMD/AIG等多功能設計 以配合產品制程安裝、使用環境的可信賴使用 |
|
|
3、快速響應式服務 用心堅持,服務從心開始 24*365小時服務,提供更具競爭力的產品; 高標準、嚴要求、品質有保障 全國服務熱線:187-0577-1505 |