繁體中文 EnglishDeutsch 收藏本站 在線留言 站點地圖 新浪微博 騰訊微博

您好,歡迎來到港源公司官網!

熱搜關鍵詞: 微型船型開關變壓器品牌臥式貼片插座繼電器生產廠家撥動開關

當前位置首頁 » 港源電子新聞中心 » 行業資訊 » 4x4銅頭輕觸開關

4x4銅頭輕觸開關

返回列表 來源:港源 作者: 查看手機網址
掃一掃!4x4銅頭輕觸開關掃一掃!
瀏覽:- 發布日期:2019-05-17 17:10:28【

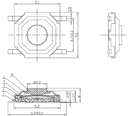
    4x4銅頭輕觸開關說的是輕觸開關長寬,這種開關的高有很多種類,比如說1.5/1.7/2.3/2.5/3.0/3.5/3.7/4.3/6等高度,4x4輕觸開關通常也稱為5.2x5.2輕觸開關,一般屬于貼片系列,柄低點的可以編帶,高的不建議耗費成本有點高,編帶的目的主要是便于運輸和儲存,有些機械組裝的編帶好的也有利于組裝

 

20180131152840_3924

  從上面的介紹我們可以總結為4x4銅頭輕觸開關的尺寸有

    4x4x1.4/4x4x1.7/4x4x2.3/4x4x2.5/4x4x3.0/4x4x3.5/4x4x3.7/4x4x4.3/4x4x6等尺寸,因為輕觸開關屬于定做產品在高度方面幾乎說不好,你可以比這個尺寸高點也可以低點,所以說這個尺寸只是一個大概也屬常規使用的尺寸。

 

    4x4輕觸開關主要參數:

 使用壽命小于或等于10萬次

 使用溫度最低溫度一般在-25攝氏度,較高溫度在70攝氏度左右

 工作電壓在12V之間,工作電流小于或等于50mA

 絕緣電阻小于或者等于100歐姆

 操作力度可以根據實際需求來調整,力度不低于分為三種,A:100gf  B160gf  C260gf

 接觸電阻大于100M歐姆

 耐壓性能在250V之間

 

20160926083414_7968

    4x4輕觸開關參數一般所說的都是常規的,對某些有特需要求的客戶參數都可以改變的,可提供樣品測試,歡迎來電咨詢!

推薦閱讀

    【本文標簽】:4x4銅頭輕觸開關 4*4輕觸開關 5*5銅頭輕觸開關
    【責任編輯】:港源版權所有:http://m.bjzzzy.com轉載請注明出處