輕觸世界 智造未來

小型化開關零組件品牌商

首頁 行業資訊

4x4銅頭輕觸開關

2019-05-17 17:10:28 

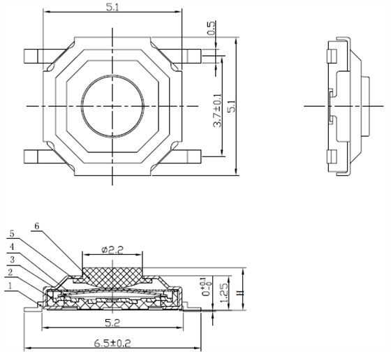
4x4銅頭輕觸開關說的是輕觸開關長寬,這種開關的高有很多種類,比如說1.5/1.7/2.3/2.5/3.0/3.5/3.7/4.3/6等高度,4x4輕觸開關通常也稱為5.2x5.2輕觸開關,一般屬于貼片系列,柄低點的可以編帶,高的不建議耗費成本有點高,編帶的目的主要是便于運輸和儲存,有些機械組裝的編帶好的也有利于組裝

20180131152840_3924

從上面的介紹我們可以總結為4x4銅頭輕觸開關的尺寸有

4x4x1.4/4x4x1.7/4x4x2.3/4x4x2.5/4x4x3.0/4x4x3.5/4x4x3.7/4x4x4.3/4x4x6等尺寸,因為輕觸開關屬于定做產品在高度方面幾乎說不好,你可以比這個尺寸高點也可以低點,所以說這個尺寸只是一個大概也屬常規使用的尺寸。

4x4輕觸開關主要參數:

使用壽命小于或等于10萬次

使用溫度最低溫度一般在-25攝氏度,較高溫度在70攝氏度左右

工作電壓在12V之間,工作電流小于或等于50mA

絕緣電阻小于或者等于100歐姆

操作力度可以根據實際需求來調整,力度不低于分為三種,A:100gf B160gf C260gf

接觸電阻大于100M歐姆

耐壓性能在250V之間

20160926083414_7968

4x4輕觸開關參數一般所說的都是常規的,對某些有特需要求的客戶參數都可以改變的,可提供樣品測試,歡迎來電咨詢!

網友熱評