繁體中文 EnglishDeutsch 收藏本站 在線留言 站點地圖 新浪微博 騰訊微博

您好,歡迎來到港源公司官網!

熱搜關鍵詞: 輕觸貼片開關深圳微動開關廠家繼電器,HKE繼電器,歐姆龍微型繼電器開關插座品牌低頻變壓器高頻變壓器

聯系港源
咨詢熱線: 187-0577-1505

郵箱:sales027@gangyuan.com.cn

汽車類產品KTD0622

訂購熱線:18705771505
立即咨詢
產品詳情咨詢熱線:18705771505

基本參數/PARAMETER

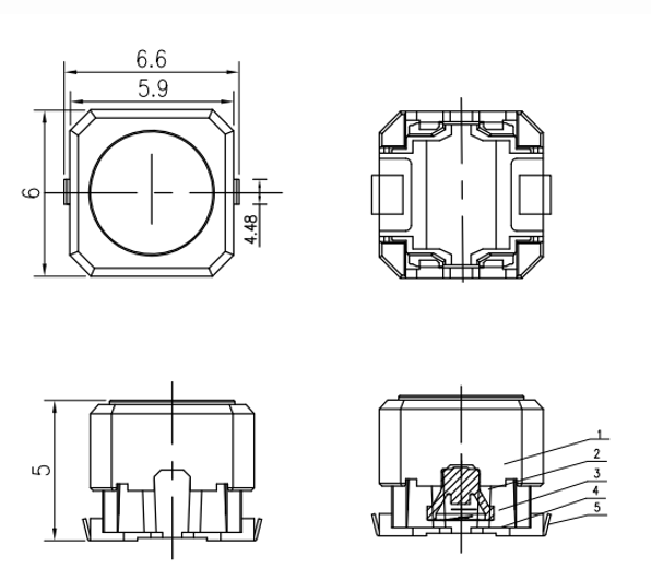
型號 KTD0622-0501M0301
電氣壽命     300000
絕緣電阻 ≥100MΩ
接觸電阻 ≤100mΩ
操作力 3.5±0.8N
開關行程 1.05mm +0.2/-0.3mm
最大額定值 50mA DC16V

最小額定值

10uA DC1V
耐電壓
AC 250V
操作溫度
-40~90℃
端子形狀 折彎腳
端子數 2

產品規格書/Specifications

圖片2


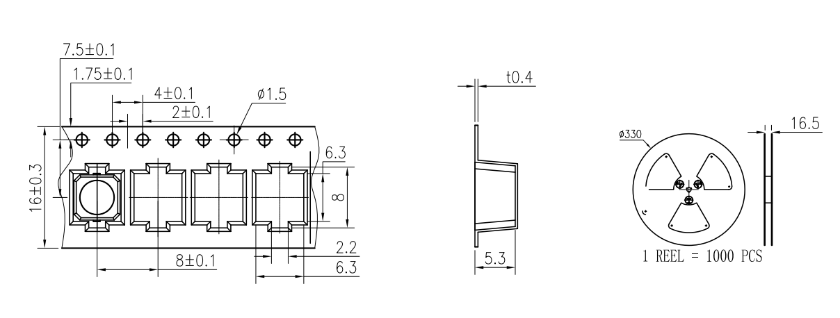
安裝孔尺寸圖/Mounting hole dimensions

QQ圖片20210806134236

電路圖/Schematic


QQ圖片20210804151203


焊接條件/Welding conditions


QQ圖片20210804151256

包裝/PACKING method



QQ圖片20210806133924

注意事項/Precautions


1.1 開關浸焊后,注意不要用溶劑清洗。
After switches were soldered,please be careful not to clean switches with solvent.
1.2 在使用烙鐵的情況下,焊錫溫度應在 350℃以下、3 秒以內。
In the case of using soldering iron, soldering conditions shall be 350max and 3 sec.max.
1.3 浸焊后,注意不要在頂部施加負荷。
Right after immersion welding;please be careful not to load to on the knobs of switches.
2 設計中應注意的事項( Design instructions):
2.1 印刷基板的安裝孔尺寸參見產品圖。
Follow recommended P.W.B. piercing plan in outside drawing page.
3 注意點(Note):
3.1 注意不要施加超負荷的壓力或晃動開關
Please be cautions not to give excessive static load or shock to switches.
3.2 開關浸焊后,印刷基板注意不要疊放。
Please be careful not to pile up P.W.B.after switches were soldered
3.3 保管時尤其應注意避開高濕高溫和有腐蝕性氣體的環境。如需要長時間保存,請不要打開包裝箱。
Preservation under high temperature and high high humidity or corrosive gas should be avoided
Especially . When you need to preserve for a long 


應用行業/By Industry

精彩觸手可擊港源微鍵發展,品質與信譽同行
QQ圖片20190815154222_副本

1、研發設計

自主設計開發能力,從來不懼模仿

深圳設有獨立的研發中心,具備從產品到制程模具、自動化設備的自主設計開發能力


研發設計


2、多品類配套

做工精細,2000多種規格產品系

防水/防助焊劑/帶LED/超薄/SMD/AIG等多功能設計

以配合產品制程安裝、使用環境的可信賴使用

多品類配套

做工精細,2000多種規格產品


用心堅持專業,服務從心開始

3、快速響應式服務

用心堅持,服務從心開始

24*365小時服務,提供更具競爭力的產品;

高標準、嚴要求、品質有保障

全國服務熱線:187-0577-1505

快速響應式服務

采購:汽車類產品KTD0622

  • *聯系人:
  • *手機:
  • 公司名稱:
  • 郵箱:
  • *采購意向:
  • *驗證碼:驗證碼