繁體中文 EnglishDeutsch 收藏本站 在線留言 站點地圖 新浪微博 騰訊微博

您好,歡迎來到港源公司官網!

熱搜關鍵詞: 輕觸貼片開關深圳微動開關廠家繼電器,HKE繼電器,歐姆龍微型繼電器開關插座品牌低頻變壓器高頻變壓器

聯系港源
咨詢熱線: 187-0577-1505

郵箱:sales027@gangyuan.com.cn

汽車繼電器 CMA4

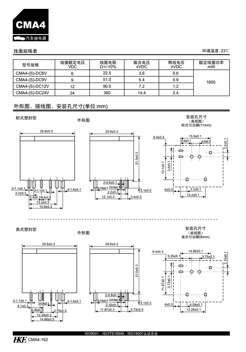
產品型號:CMA4
通用汽車繼電器
塑封型尺寸:25.8×20.6×21.0(mm)
敞開型尺寸:18.0×23.4×17.9(mm)
觸點電流達40A
具有塑封型和敞開型兩種封裝方式
具有美式和歐式兩種引出端尺寸
訂購熱線:18705771505
立即咨詢
產品詳情咨詢熱線:18705771505

產品規格書/Specifications


CMA4-01

CMA4-02

CMA4-03


CMA4-04


應用行業/By Industry

汽車報警器,控制自動升窗、門窗,車燈控制,座位調整,間歇式雨刮器及要求靜音性的用途


精彩觸手可擊港源微鍵發展,品質與信譽同行
QQ圖片20190815154222_副本

1、研發設計

自主設計開發能力,從來不懼模仿

深圳設有獨立的研發中心,具備從產品到制程模具、自動化設備的自主設計開發能力


研發設計


2、多品類配套

做工精細,2000多種規格產品系

防水/防助焊劑/帶LED/超薄/SMD/AIG等多功能設計

以配合產品制程安裝、使用環境的可信賴使用

多品類配套

做工精細,2000多種規格產品


用心堅持專業,服務從心開始

3、快速響應式服務

用心堅持,服務從心開始

24*365小時服務,提供更具競爭力的產品;

高標準、嚴要求、品質有保障

全國服務熱線:187-0577-1505

快速響應式服務

采購:汽車繼電器 CMA4

  • *聯系人:
  • *手機:
  • 公司名稱:
  • 郵箱:
  • *采購意向:
  • *驗證碼:驗證碼