繁體中文 EnglishDeutsch 收藏本站 在線留言 站點地圖 新浪微博 騰訊微博

您好,歡迎來到港源公司官網!

熱搜關鍵詞: 輕觸貼片開關深圳微動開關廠家繼電器,HKE繼電器,歐姆龍微型繼電器開關插座品牌低頻變壓器高頻變壓器

聯系港源
咨詢熱線: 187-0577-1505

郵箱:sales027@gangyuan.com.cn

PB22M12301

訂購熱線:18705771505
立即咨詢
產品詳情咨詢熱線:18705771505

基本參數/PARAMETER

工作溫度 -40℃to+85℃
額定電流 0.3A.14V DC
絕緣電阻
≥100MΩ
介質耐壓 AC 500V(50-60HZ)
接觸電阻 100m Ω max
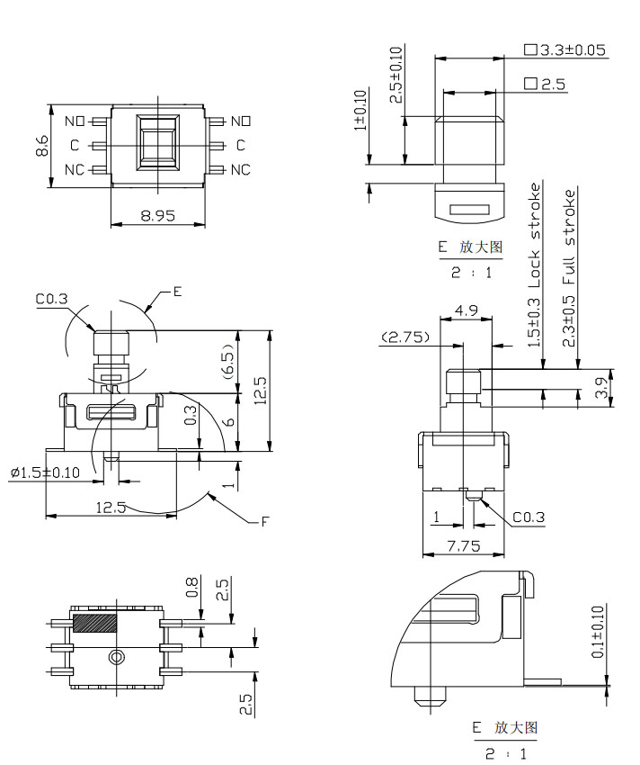
開關行程
2.3±0.5mm
鎖定行程 1.5±0.3m
按  力
3±1N

產品規格書/Specifications

QQ圖片20210807103733(1)


安裝孔尺寸圖/Mounting hole dimensions


QQ圖片20210807105416

電路圖/Schematic

QQ圖片20210807105057

焊接條件/Welding conditions


(1) 焊錫溫度:≤350
(2) 連續焊接時間:≤3 s
Please practice according to below conditions:
(1) Soldering temperature: ≤350
(2) Continuous soldering time: ≤3 s



注意事項/Precautions


a、印刷基板的焊盤尺寸參見產品圖。
The pad size of the printed substrate is shown in the product diagram.
b、在使用烙鐵的情況下,焊錫溫度應在 350℃以下、3 秒以內。
In the case of using soldering iron, soldering conditions shall be 350max and 3 sec.max.
c、防止助焊劑從開關的頂端滲入
Prevent flux penetration from the top of the switch
d、開關浸焊后,注意不要用溶劑或類似品清洗開關。
After switches were soldered,please be careful not to clean switches with solvent or other similar products.
e、浸焊后,注意不要在頂部施加負荷。
Right after switches were soldered;please be careful not to load to on the knobs of switches.
f、注意不要施加超負荷的壓力或晃動開關。
Please be cautions not to give excessive static load or shock to switches.
g、開關浸焊后,印刷基板注意不要疊放。
Please be careful not to pile up P.W.B.after switches were soldered


應用行業/By Industry

精彩觸手可擊港源微鍵發展,品質與信譽同行
QQ圖片20190815154222_副本

1、研發設計

自主設計開發能力,從來不懼模仿

深圳設有獨立的研發中心,具備從產品到制程模具、自動化設備的自主設計開發能力


研發設計


2、多品類配套

做工精細,2000多種規格產品系

防水/防助焊劑/帶LED/超薄/SMD/AIG等多功能設計

以配合產品制程安裝、使用環境的可信賴使用

多品類配套

做工精細,2000多種規格產品


用心堅持專業,服務從心開始

3、快速響應式服務

用心堅持,服務從心開始

24*365小時服務,提供更具競爭力的產品;

高標準、嚴要求、品質有保障

全國服務熱線:187-0577-1505

快速響應式服務

采購:PB22M12301

  • *聯系人:
  • *手機:
  • 公司名稱:
  • 郵箱:
  • *采購意向:
  • *驗證碼:驗證碼