繁體中文 EnglishDeutsch 收藏本站 在線留言 站點地圖 新浪微博 騰訊微博

您好,歡迎來到港源公司官網!

熱搜關鍵詞: 輕觸貼片開關深圳微動開關廠家繼電器,HKE繼電器,歐姆龍微型繼電器開關插座品牌低頻變壓器高頻變壓器

聯系港源
咨詢熱線: 187-0577-1505

郵箱:sales027@gangyuan.com.cn

DC-0507插座

產品型號:DC-0507
產品名稱:SMT DC插座
產品尺寸:DC插座11.4×6.6×6.35mm
產品性能:耐高溫回流焊
訂購熱線:18705771505
立即咨詢
產品詳情咨詢熱線:18705771505

基本參數/PARAMETER

工作溫度 -20℃to+70℃
耐壓
AC500V(50Hz)/min
額定負荷 DC 30V 0.5A
動作力 3~20N 
接觸電阻 ≤0.05Ω
絕緣電阻 ≥100mΩ
壽命
5000

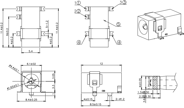
外形圖/Specifications

搜狗截圖20161007085824

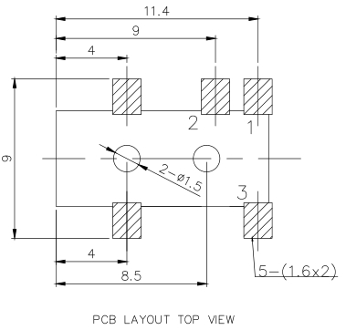
安裝孔尺寸圖/Mounting hole dimensions

搜狗截圖20161007085837

電路圖/Schematic

搜狗截圖20161007085753

焊接條件/Welding conditions

搜狗截圖20161007085507

注意事項/Precautions

應用行業/By Industry

影音產品;筆記本:平板:通訊產品;家用電器:安防產品:玩具:電腦產品:健身器材:醫療器材等

精彩觸手可擊港源微鍵發展,品質與信譽同行
QQ圖片20190815154222_副本

1、研發設計

自主設計開發能力,從來不懼模仿

深圳設有獨立的研發中心,具備從產品到制程模具、自動化設備的自主設計開發能力


研發設計


2、多品類配套

做工精細,2000多種規格產品系

防水/防助焊劑/帶LED/超薄/SMD/AIG等多功能設計

以配合產品制程安裝、使用環境的可信賴使用

多品類配套

做工精細,2000多種規格產品


用心堅持專業,服務從心開始

3、快速響應式服務

用心堅持,服務從心開始

24*365小時服務,提供更具競爭力的產品;

高標準、嚴要求、品質有保障

全國服務熱線:187-0577-1505

快速響應式服務

采購:DC-0507插座

  • *聯系人:
  • *手機:
  • 公司名稱:
  • 郵箱:
  • *采購意向:
  • *驗證碼:驗證碼