繁體中文 EnglishDeutsch 收藏本站 在線留言 站點地圖 新浪微博 騰訊微博

您好,歡迎來到港源公司官網!

熱搜關鍵詞: 輕觸貼片開關深圳微動開關廠家繼電器,HKE繼電器,歐姆龍微型繼電器開關插座品牌低頻變壓器高頻變壓器

聯系港源
咨詢熱線: 187-0577-1505

郵箱:sales027@gangyuan.com.cn

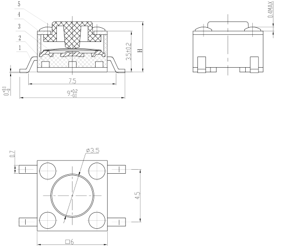
6*6貼片輕觸開關

產品型號:KAN0649A
產品名稱:貼片式(SMD)輕觸開關
產品規格:6×6×H/H=4.3mm-12mm
產品壽命:10萬次-100萬次
訂購熱線:18705771505
立即咨詢
產品詳情咨詢熱線:18705771505

基本參數/PARAMETER

工作溫度 -20℃to+70℃
額定電流 50mA.12V DC
絕緣電阻 100mΩ min.100V DC
介電強度 250V AC for 1 min
接觸電阻 100mΩ  max
開關行程 0.25±0.1m
高度

4.3/4.5/5.5/6.5/7/7.5/8/8.5/9/9.5/10/10.5/11/11.5/12/mm

按  力 100gf/160gf/260gf

外形圖/Specifications

搜狗截圖20161018102345

安裝孔尺寸圖/Mounting hole dimensions

搜狗截圖20161018102401

電路圖/Schematic

搜狗截圖20161018102320

焊接條件/Welding conditions

焊接條件

注意事項/Precautions

貼片式輕觸開關系列使用注意事項:

1. 考慮清洗觸摸開關時,請協商。 

2. 請不要從觸摸開關上面浸入助焊劑。 

3. 請不要事前在開關端子及印刷電路板的零部件貼裝面上涂助焊劑。 

4. 進行第2次焊接時,應在開關回復到常溫之后進行。

應用行業/By Industry

醫療器材
醫療器材
變頻器
變頻器
筆記本電腦
筆記本電腦
汽車音響開關
汽車音響開關
汽車導航儀
汽車導航儀
AR,VR
AR,VR
測試儀器
測試儀器
安防設備
安防設備
藍牙耳機
藍牙耳機
智能手表
智能手表


GANGYUAN
汽車電子產品

電腦鼠標

汽車門鎖

內部檢測

帶閂鎖驗證

運動限位感應

面板關閉檢測

白色/家電開關

電飯煲

微波爐

熱水器

攪拌器/食物處理器

洗衣機/烘干機

咖啡機

家用便攜設備

家用便攜設備

AR,VR

化學分析儀器

工業設備

無人機

工業設備

轉換器

醫療器械

健康器具

分析檢查器具

醫療器具

移動設備

 筆記本電腦   



精彩觸手可擊港源微鍵發展,品質與信譽同行
QQ圖片20190815154222_副本

1、研發設計

自主設計開發能力,從來不懼模仿

深圳設有獨立的研發中心,具備從產品到制程模具、自動化設備的自主設計開發能力


研發設計


2、多品類配套

做工精細,2000多種規格產品系

防水/防助焊劑/帶LED/超薄/SMD/AIG等多功能設計

以配合產品制程安裝、使用環境的可信賴使用

多品類配套

做工精細,2000多種規格產品


用心堅持專業,服務從心開始

3、快速響應式服務

用心堅持,服務從心開始

24*365小時服務,提供更具競爭力的產品;

高標準、嚴要求、品質有保障

全國服務熱線:187-0577-1505

快速響應式服務

采購:6*6貼片輕觸開關

  • *聯系人:
  • *手機:
  • 公司名稱:
  • 郵箱:
  • *采購意向:
  • *驗證碼:驗證碼