繁體中文 EnglishDeutsch 收藏本站 在線留言 站點地圖 新浪微博 騰訊微博

您好,歡迎來到港源公司官網!

熱搜關鍵詞: 微型船型開關變壓器品牌臥式貼片插座繼電器生產廠家撥動開關

當前位置首頁 » 港源電子新聞中心 » 行業資訊 » 小型微動開關的外形尺寸適合高科技電子精密化的要求

小型微動開關的外形尺寸適合高科技電子精密化的要求

返回列表 來源:港源 作者: 查看手機網址
掃一掃!小型微動開關的外形尺寸適合高科技電子精密化的要求掃一掃!
瀏覽:- 發布日期:2018-09-29 17:13:47【

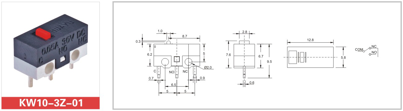
   選擇小型微動開關時尺寸很重要。開關尺寸與其特性直接相關,包括電流范圍、行程和操作力。例如,目我司上的一種微動開關尺寸為12.8mm×5.8mm×9.5mm。雖然這種微小的開關適合在緊湊型斷路器中用于檢測電路狀態,但它通常僅能分斷0.1至3安培(A)的電流,行程也較短。

微動開關

   需要更大電流的應用場合通常需要較大的開關。比如油箱應用中,用于檢測液位的微動開關就需要能夠提供大行程并承受大電流。通常在液位開關應用中,開關要直接驅動水泵并承載較大電流。這就需要一個額定電流在125VAC或250VAC電壓時為20A或25A的大型微動開關。

   提示:開關尺寸越小,其行程和能夠分斷的電流也就越小。

   許多高科技產品里特別是電子產品里都有小型微動開關的存在。微動開關也大大把他的特點發揮到了極致。由于體積小,作用大。使與之匹配的生產商生產了更多漂亮的產品。如現在越來越薄的超薄手機,正是因為有了微動開關的存在才使它的外觀越來越美觀,體積越來越輕巧。總之,微動開關 雖小,但作用不可忽視。它的未來發展也越來越被看好。

微動開關

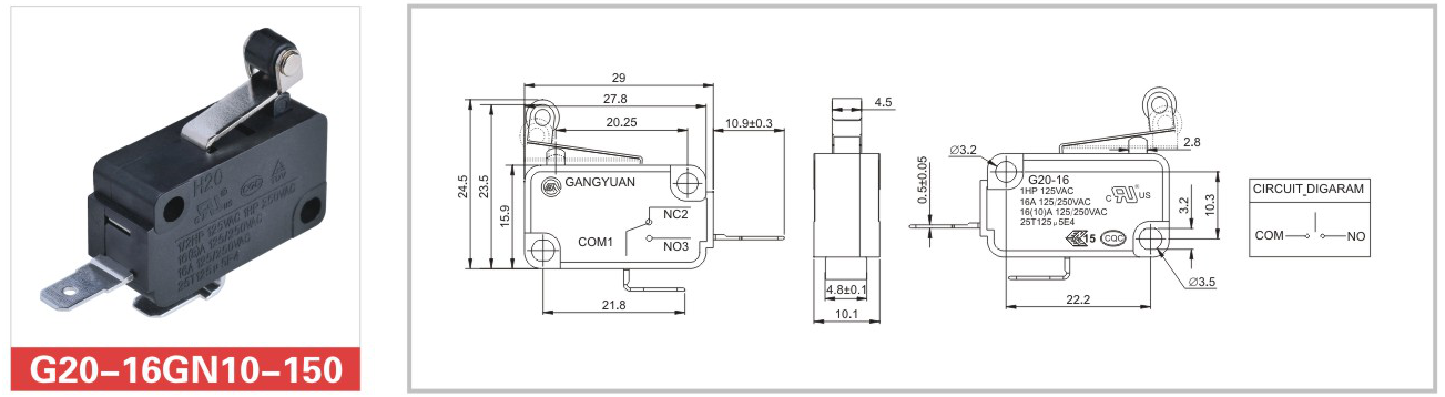
   另外,小型微動開關的外形尺寸也影響到操作力。在理想情況下,工程師們需要的是一個具有低操作力和高電流容量的開關。但事實上在這兩個參數之間需要一個折衷。在提供大電流承受范圍的同時要保持良好的接觸,微動開關就需要更強的彈簧,而這會使得開關的操作力及外形尺寸變大。操作力范圍可從增壓氣動型應用中的2克,到電磁閥應用(需要較大操作力)中的150gf我公司尺還可以達到為29mm×10.1mm×24.5mm附圖(G20-16GN10-150港源電子服務熱線:18705771505。