繁體中文 EnglishDeutsch 收藏本站 在線留言 站點地圖 新浪微博 騰訊微博

您好,歡迎來到港源公司官網!

熱搜關鍵詞: 微型船型開關變壓器品牌臥式貼片插座繼電器生產廠家撥動開關

當前位置首頁 » 港源電子新聞中心 » 行業資訊 » 微動開關

微動開關

返回列表 來源:港源 作者: 查看手機網址
掃一掃!微動開關掃一掃!
瀏覽:- 發布日期:2018-03-22 11:04:23【

    港源電子微動開關可作機械量和電信號的轉換元件,廣泛應用于控制和精密機械技術領域里。開關的外形尺寸可在通用,符合DIN標準。開關的鍍金接線端子嵌壓進開關底座,底座的材料具有高的防爬行電流之特點,接線方式有螺絲、插頭及焊接三種方式

    今天就帶大家了解微動開關的參數。

    微動開關 具有微小接點間隔和快動機構, 用規定的行程和規定的力進行開關動作的接點結構, 用外殼覆蓋, 其外部有驅動桿的一種開關。(以下稱開關)有接點 :在開關類型中, 和具有開關特性的半導體開關相比, 通過接點的機械開關來實現開關的功能。接觸形式 :根據各種用途構成接點的電氣輸入輸出電路[(16)中顯示]

額定值:一般指作為開關特性和性能的保證基準的值, 例如額定電流、額定電壓等,其前提是特定的條件(負載的種類、電流、電壓、頻率等)。


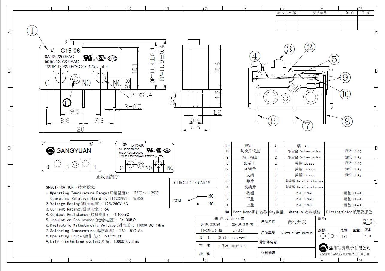
微動開關圖紙

    絕緣電阻:指非連接端子間、各端子和不帶電金屬部位間、各端子和地間的電阻值。  耐壓:在規定的測定部位加1分鐘高電壓后, 不會引起絕緣損壞的臨界值。  接觸電阻:表示接點的接觸部位的電阻, 但一般表示包含彈簧和端子部位導體電阻的電阻值。


微動開關系列

    抗振性:誤動作振動 微動開關在使用時, 由于振動閉合的接點在超過規定的時間內不分離的振動范圍。 

    抗沖擊性:耐久沖擊 指微動開關在運輸中或者安裝時不會受到由該機械沖擊帶來的各部位的損傷, 并滿足動作特性的范圍內的沖擊。 誤動作沖擊?指微動開關使用時由于沖擊閉合的接點在超過規定的時間內不分離的沖擊范圍


微動開關

    機械壽命:指接點不通電, 以規定的操作頻率將過行程(OT)設定為規格值使其運行時的開關壽命。 

    電氣壽命:在接點上連接額定負載, 以規定的操作頻率將過行程(OT 設定為規格值進行開關時的開關壽命。

    港源電子24年專注小型化電子零部件生產研發、主營:微動開關,輕觸開關,撥動開關,自無鎖開關,鈕子開關,DC/AC/耳機插座,繼電器,變壓器等等。千萬次重復,品質始終如一。    全國服務熱線:18705771505