繁體中文 EnglishDeutsch 收藏本站 在線留言 站點地圖 新浪微博 騰訊微博

您好,歡迎來到港源公司官網!

熱搜關鍵詞: 微型船型開關變壓器品牌臥式貼片插座繼電器生產廠家撥動開關

當前位置首頁 » 港源電子新聞中心 » 行業資訊 » 硅膠按鍵6*6輕觸開關 KAN6247

硅膠按鍵6*6輕觸開關 KAN6247

返回列表 來源:港源 作者: 查看手機網址
掃一掃!硅膠按鍵6*6輕觸開關 KAN6247掃一掃!
瀏覽:- 發布日期:2017-12-14 17:22:12【

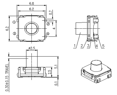
硅膠輕觸開關KAN6247

 

圖片1

 

QQ圖片20171214162315

 


11

端子沖壓工序控制

一、產品特性

1A類尺寸(首件抽檢2整模):泡差0.070.01/-0.027.5±0.020.7+0/0.03

B類尺寸(修模后確認2整模):4.0±0.0227±0.036.8±0.02φ1.20.03/0

C類尺寸(相關刀具修模后確認2整模):1.1+0/-0.050.45+0/-0.035.1+0/-0.03

20.070.01/-0.02采用SPC管控,CPK≥1.33

3、外觀:端子無墊傷,變形等不良;

二、過程特性(首件確認+IPQC巡檢)

1、氣壓值(0.50.8MPa)

2、沖壓速度(300400/min

36S按照SOP要求保持。

底座注塑工序控制

1A類尺寸(首件抽檢2整模):泡差0.070.01/-0.020.33±0.021.0±0.02

  B類尺寸(修模后確認2整模):6.3±0.02

  C類尺寸(相關刀具修模后確認2整模):0.15±0.026.8±0.02

20.070.01/-0.02采用SPC管控,CPK≥1.33

3、外觀:端子無墊傷,變形,塑膠無缺膠等外觀不良現象;

二、過程特性(首件確認+IPQC巡檢)

1、注塑機溫度及時間設定依據SOP要求;

2、射出速度設定依據SOP要求;

36S按照SOP要求保持。

自動化組裝工序控制

一、產品特性(首件確認+IPQC巡檢)

1、按力依據SOP要求設定范圍;

2、回復力依據SOP要求設定范圍;

3、外觀:蓋板無變形、完全扣緊推鈕無縫隙、塑膠表面無損傷、貼面端子無變形無銀層刮傷、產品表面無臟污等;

4、底座內腔無異物。

二、過程特性(首件確認+IPQC巡檢)

1、氣壓值(0.50.8MPa)

2、各零部件震動頻率按照SOP值設定;

36S按照SOP要求保持。

自動化檢測工序控制

一、產品特性(100%全檢):

1.按力、回力、手感:依據SOP要求設定值;

2.OP值根據產品高度設定;

3.接觸電阻:50mΩ max

4.絕緣電阻:DC 100V /1min,≥100MΩ。

自動化貼面度檢測和編帶工序控制 1.底座端子腳采用CCD檢測機檢測端子腳貼面度,NG品自動剔除。

2.CCD檢測機和編帶機一體式,端子腳檢測完畢,機械手自動抓取產品放入載帶進行自動編帶。

 

帶負載壽命試驗

1.將產品放入壽命測試機;

2.90/min,操作力:300gf

3.測試頭對準按鈕頭部,確保測試頭對準產品按鈕中心;

4.負載壽命額定/額定(電阻負載)50mA 12V DC/10μA 1v DC,壽命要求≥100000次。

注:壽命檢測每2萬次測試1次變化值,檢查產品是否NG并及時將壽命測試結果記錄在案。

溫度循環試驗

1.低溫測試,溫度:-40±2℃,時間:120h

2.高溫測試,溫度:85±2℃,時間:120h

3.溫度周期性測試,根據下面的測試要求進行5次循環的溫度周期性測試;

4.濕溫測試,溫度:85±2℃,時間:120h

試驗后,產品接觸電阻≤200mΩ

 

鹽霧試驗

在以下設定條件下進行測量:

1)溫度:35℃±2℃

2)鹽溶液濃度:5±1%(質量百分比);

3)時間:48h±1h

 實驗后的鹽沉積物后水沖洗干凈,金屬件上無腐蝕現象。

IP67防水試驗

1.產品通過SMT仿真試驗,自然冷卻后放入水深1米處;

2.讓產品浸泡在水中0.5H,取出測試樣品在顯微鏡下觀察成品內部零件是否有水漬,如有水漬判為NG,無水漬,判為OK

絕緣、耐壓試驗

1.絕緣電阻:

500V DC/1min.≥100MΩ

2.介質耐壓

250V AC/1min,無擊穿,無飛弧現象。

震動、沖擊試驗

1.由于本公司沒有震動、沖擊實驗設備,需要委托第三方檢測機構檢測,并出示合格證明;或隨整機進行震動、沖擊實驗。

2.具體試驗方案可商定執行。 

 

QQ圖片20171214170721

 港源電子堅持以顧客價值創造為導向展開經營,遵奉“誠實、共贏、和諧、創新”的企業核心價值觀,在企業內部創建具“快樂、幸福、滿足感”的企業文化,為實現“精小技術服務美好生活”的使命全員參與共同努力,與廣大顧客攜手共生、共創、共贏未來。

   

推薦閱讀

    【本文標簽】:輕觸開關 硅膠按鍵 硅膠開關 KAN6247 港源電子
    【責任編輯】:港源版權所有:http://m.bjzzzy.com轉載請注明出處