繁體中文 EnglishDeutsch 收藏本站 在線留言 站點地圖 新浪微博 騰訊微博

您好,歡迎來到港源公司官網!

熱搜關鍵詞: 微型船型開關變壓器品牌臥式貼片插座繼電器生產廠家撥動開關

當前位置首頁 » 港源電子新聞中心 » 常見問題 » 防水輕觸開關制造商哪個比較好

防水輕觸開關制造商哪個比較好

返回列表 來源:港源 作者: 查看手機網址
掃一掃!防水輕觸開關制造商哪個比較好掃一掃!
瀏覽:- 發布日期:2020-11-17 14:50:48【
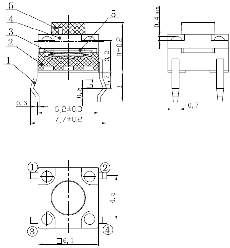
港源電子生產防水輕觸開關,是深圳比較有名的防水輕觸開關廠家。下面我來給大家推薦一下新款的防水輕觸開關KAN0616。該型號尺寸為6mm*6mm,目前主要廣泛應用于3C電子等行業。此外,還提供4.5*4.5、7*7、8*8、12*12防水觸摸開關等,產品型號齊全。
基本規格參數
工作溫度  -20℃to+70℃
額定電流  50mA.12V DC
絕緣電阻  100mΩ min.100V DC
介電強度  250V AC for 1 min
接觸電阻  100mΩ  max
開關行程  0.25±0.1mm
高  度  4.3/4.5/5.5/6.5/7/7.5/8/8.5/9/9.5/10/10.5/11/11.5/12mm
按  力  160gf/260gf

KAN0616參考圖紙


20160924162636_7134

KAN0616是目前使用率比較高、賣得比較好的防水輕觸開關型號,防水輕觸開關制造商就選港源電子,我們將竭誠為您
服務,更多產品信息請關注官網或咨詢在線客服!