繁體中文 EnglishDeutsch 收藏本站 在線留言 站點地圖 新浪微博 騰訊微博

您好,歡迎來到港源公司官網!

熱搜關鍵詞: 微型船型開關變壓器品牌臥式貼片插座繼電器生產廠家撥動開關

當前位置首頁 » 港源電子新聞中心 » 行業資訊 » 8*8防水輕觸開關

8*8防水輕觸開關

返回列表 來源:港源 作者: 查看手機網址
掃一掃!8*8防水輕觸開關掃一掃!
瀏覽:- 發布日期:2019-04-15 11:41:46【

    防水輕觸開關的結構設計。越是高端的產品,在設計上越為巧妙,但只有細節上,才能夠讓消費者佩服設計之精巧。防水輕觸開關的結構設計能夠彰顯出人性化和機械化的合理融合,就能算是一個成功的設計。結構設計是防水輕觸開關的核心,也是人們關注的重中之重。
防水輕觸開關的使用手感。使用手感是需要人們近距離接觸的,因為不僅要從外觀上去觀看,還需要具體地實際觸摸去感受。防水輕觸開關一旦被觸碰,將會十分靈敏的相應,反應時間越短性能越優越。

防水輕觸開關


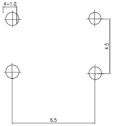
    8*8防水輕觸開關
    產品型號:KAN0811

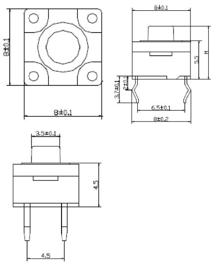
8*8輕觸開關

8*8防水輕觸開關 尺寸圖

20160924163021_5374


    防水輕觸開關材料的選擇。隨著時間年數的增加,防水輕觸開關的材質也會被氧化,防水膜變得有些脆弱。所以選擇材料的時候要選擇結實耐用的防腐蝕防水硅膠墊材料,這樣以后不論是在高溫干旱還是潮濕陰冷的環境中,防水輕觸開關都能保持不錯的性能防水不變形不破損,能夠較長時間保持使用性能,材料的堅固耐用也能增加開關的使用壽命。

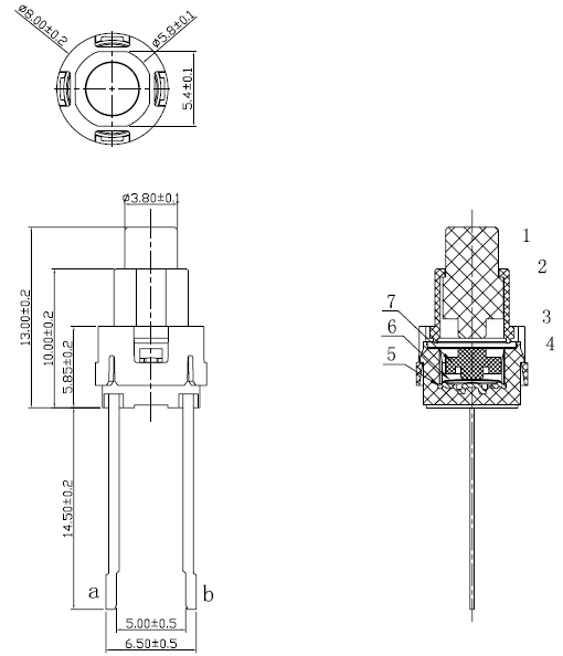
    8*8防水輕觸開關

    產品型號:KAN0851


8*8洗衣機開關

20160924163144_4166

20160924163152_2921


    港源電子的輕觸開關幾乎占有全部優勢,與進口輕觸開關使用相同的材料、封裝工藝和全自動生產設備,從產品用料、結構設計和品質穩定性等來看,優于國產開關一個等級;而工廠的價格、供貨周期和配合度等也有明顯優勢!一分錢一分貨,我們寧愿為價格作一時的解釋,也不愿為品質向客戶解釋一輩子!相信港源電子會是您優先的選擇!期待與您合作!
    可提供樣品測試,歡迎來電咨詢。

推薦閱讀

    【本文標簽】:8*8防水輕觸開關 8*8輕觸開關 洗衣機開關
    【責任編輯】:港源版權所有:http://m.bjzzzy.com轉載請注明出處