輕觸世界 智造未來

小型化開關零組件品牌商

首頁 立式撥動開關

SS24D02

SS24D02
  • 特點:SS24D02
  • 規格:立式撥動開關

產品簡介

型號:SS24D02
側臥式撥動開關
操作力:300gf±150gf
使用壽命:10000次

產品詳情

基本參數/PARAMETER

額定值 DC 6V 0.3A
接觸型式 2 POLES, 2THROWS
絕緣阻抗 100MΩ 以上
接觸電阻 70mΩ 以下
電器壽命 10000
操作力 200gf ±100gf

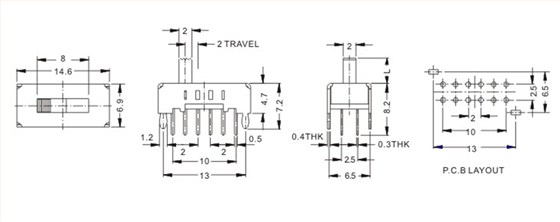
外形圖/Specifications


QQ圖片20180529112528

電路圖/Schematic


QQ圖片20180529112540

焊接條件/Welding conditions



回流焊圖

應用行業/By Industry


set07

    視聽設備
    閃光燈


animation_mobile

平板電腦
    筆記本電腦


animation_health

    介護
    醫療器具



set06

    洗衣機
    辦公設備


set05

    配電設備
    通信電纜


animation_ind

工業設備
    變頻器


我要下單

  • 姓名
  • 手機
  • 留言

網友熱評