基本參數/PARAMETER
| 工作溫度 | -30℃to+80℃ |
| 額定電流 | 50mA.12V DC |
| 絕緣電阻 | 100MΩ min.100V DC |
| 介電強度 | 250V AC for 1 min |
| 接觸電阻 | 100mΩ max |
| 開關行程 | 0.25±0.1mm |
| 高 度 |
4.3mm-15mm |
| 按 力 | 100gf/160gf/260gf |
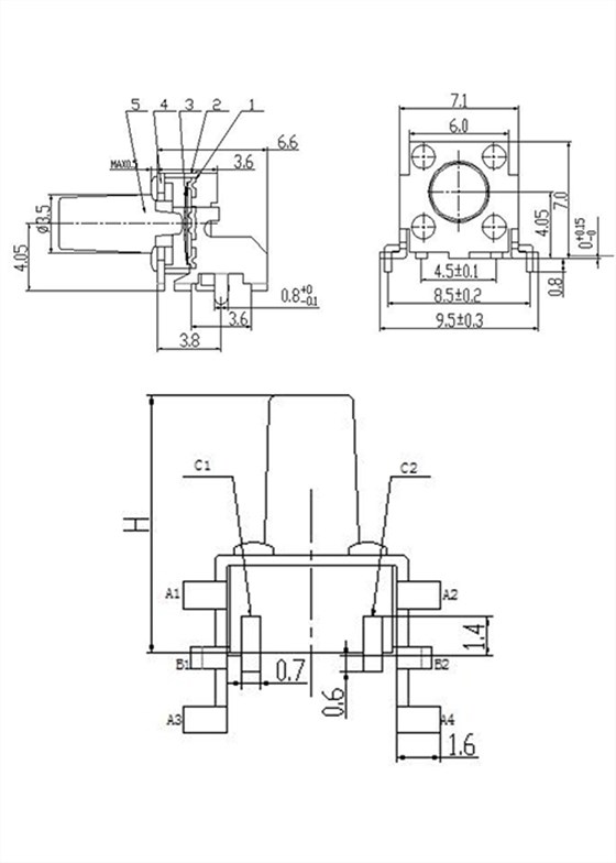
外形圖/Specifications
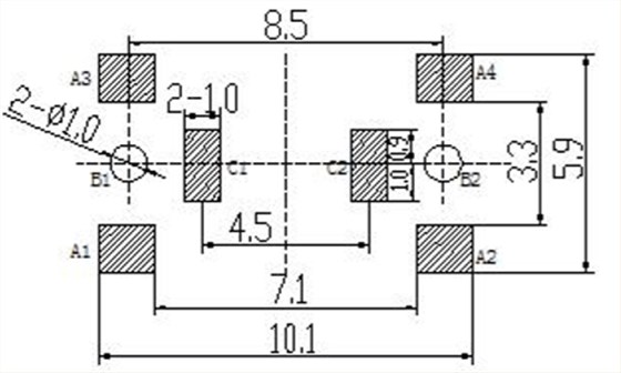
安裝孔尺寸圖/Mounting hole dimensions
電路圖/Schematic
焊接條件/Welding conditions
說明/Precautions
- 一 1 開關浸焊后,注意不要用溶劑清洗。
- 2 在使用烙鐵的情況下,焊錫溫度應在 350℃以下、3 秒以內。
- 3 浸焊后,注意不要在頂部施加負荷。
- 二 設計中應注意的事項
- 1 印刷基板的安裝孔尺寸參見產品圖。
- 三注意點
- 1 注意不要施加超負荷的壓力或晃動開關
- 2 開關浸焊后,印刷基板注意不要疊放。
- 3 保管時尤其應注意避開高濕高溫和有腐蝕性氣體的環境。如需要長時間保存,請不要打開包裝箱。
應用行業/By Industry
|
|












7.2*6.8帶燈(KAN6811)
SK13D01(07)
SK14D01
SK22D07
PS22F02L-2B1
KAN1242
KAN0742C
KAN6432
KAN6841
PS22F05