應用領域
DC插座用于路由器
DC-035 用于筆記本電腦
產品優勢
-
產品半自動化檢測,品質穩定。
-
8H 鹽霧測試可在相對惡劣環境下使用
-
品質卓越、價格合理、交期準時。
-
沉板式 大電流電源插座,可以降低產品的厚度,使其達到薄的效果
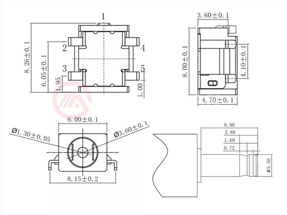
產品圖紙
安裝尺寸圖
產品測試


世界500強優秀供應商
7.2*6.8帶燈(KAN6811)
G10F
GYRSF
KAN6247貼片輕觸開關