輕觸世界 智造未來

小型化開關零組件品牌商

首頁 行業資訊

微動開關的內部構造及應用

2018-03-09 11:26:45 

微動開關的構造

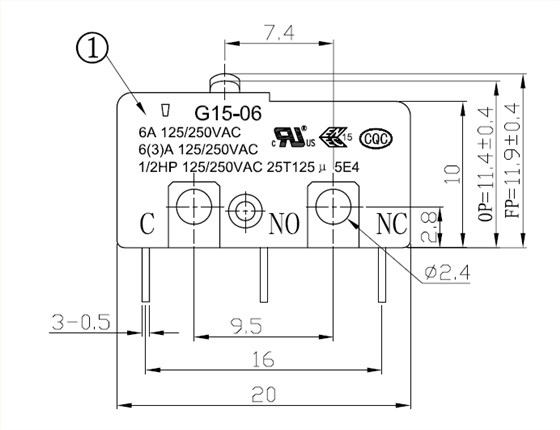
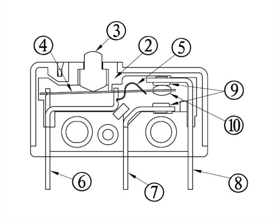
微動開關具有微小接點間隔和速動機構,用規定的行程和力進行開關動作的接點機構,被外殼覆蓋,其外部有傳動器,且外形較小。港源電子微動開關是由10個構成要素組成。

1和2上蓋和下蓋使用的材料為 PBT 30%GF

3按鈕 材料為 PBT 30%GF

4切換片 材料為鈹青銅

5:彈片 材料為鈹青銅

6支架 材料為黃銅

7NC端子 材料為黃銅

8NO 端子 材料為黃銅

9端子銀點 材料為銀合金

10切換片銀點 材料為銀合金

微動開關

微動開關一般以無輔助按壓附件為基本型式,并且派生出小行程式、大行程式。根據需要可加入不同輔助按壓輔件,根據加入的不同的按壓輔件開關可分為按鈕式、簧片滾輪式、杠桿滾輪式、短動臂式、長動臂式等各種形式。

下面5個關鍵步驟可幫您選擇適合您詳細應用的微動開關。

步驟 1:了解開關的外形尺寸是如何影響其他特性的

選擇微動開關時尺寸很重要。開關尺寸與其特性直接相關,包括電流范圍、行程和操作力。例如,目前市場上的一種微動開關尺寸為0.50 英寸x0.236 英寸x0.197 英寸(LxWxH)。雖然這種微小的開關適合在緊湊型斷路器中用于檢測電路狀態,但它通常僅能分斷0.1 至3 安培 (A) 的電流,行程也較短。需要更大電流的應用場所通常需要較大的開關。比如油箱應用中,用于檢測液位的微動開關就需要可以提供大行程并承受大電流。通常在液位開關應用中,開關要直接驅動水泵并承載較大電流。這就需要一個額定電流在125VAC 或250VAC 電壓時為20A或25A的大型微動開關。提示:開關尺寸越小,其行程和可以分斷的電流也就越小。另外,開關的外形尺寸也影響到操作力。在理想狀況下,工程師們需要的是一個具有低操作力和高電流容量的開關。但事實上在這兩個參數之間需要一個折衷。在提供大電流承受范圍的同時要保持良好的接觸,微動開關就需要更強的彈簧,而這會使得開關的操作力及外形尺寸變大。操作力范圍可從增壓氣動型應用中的2 克,到電磁閥應用(需要較大操作力)中的8 盎司。市場上的一種開關尺寸為1.94 英寸x0.69 英寸x1.3 英寸(LxWxH)。工程師們還應當注意到開關的差動行程—開關跳閘位置與復位位置間的距離。其閾值依據不同的應用會有所不同。比如在溫度開關應用中,開/關操作點應盡可以接近,差動行程應低至0.0001 英寸。但是在液位泵應用中,差動行程過近則可以會招致補水泵過于頻繁的啟停,縮短水泵的使用壽命。HRO韓榮部品的MICRO SWITCH?微動開關有多種配置可供選擇,可以滿足工程師們的特定需求。

微動開關

步驟2:了解您的電氣要求

微動開關通常可以分斷從 5mA/5VDC 至25A/250VAC 的電流。微動開關產品線提供了從低能耗型到功率負載電氣型一系列產品,適用于各種應用。工程師們要知道詳細應用所需的額定電流和電壓(AC 或DC),以選擇適宜的開關。由于所有行業的各種設備都致力于低能耗,所以微動開關要可以在低電流(邏輯電平負載)及直流電壓下義務。但是,也有一些應用需要可以分斷大電流和高電壓的開關,比如工業級泵應用。除負載要求外,工程師們還要選擇適宜的電路。開關觸點必定是常開型 (NO) 和常閉型 (NC) 中的一種。關于NO 型觸點,通常狀況下觸點間并無電流通過。當開關舉措后,觸點封鎖,電路連通。關于NC 型觸點,通常狀況下觸點間有電流通過。當開關舉措后,觸點翻開,電路斷開。

步驟 3:思索環境條件

環境要求對微動開關的選擇影響很大,尤其是在如工業控制、醫療設備等要求高可靠和關鍵性應用中。了解應用的環境條件包括空氣中可以進入開關的污染物、開關所處的液體以及義務溫度要求等。關于惡劣環境條件下的應用,您需要選擇有著寬義務溫度范圍的密封型開關。高可靠的微動開關可在-65 華氏度(-54 攝氏度)至350 華氏度(177 攝氏度)溫度范圍內義務,可輕松應對各種應用。同時,還要注意開關的防護等級應至少為IP67 級,以避免液體侵入。這樣便無需花費少量時間來設計一個可抵達同樣防護等級的外殼。

微動開關

步驟 4:明白義務使用壽命要求

開關的可靠性很關鍵。您需要明白一個應用終究需要多少次的電氣和機械操作壽命?不同的開關有著不同的觸點材料、外殼及端子,可以滿足不同應用中的電氣和機械壽命需求。一個高可靠的微動開關在機械失效前可以操作 1000 萬至2000 萬次,在電氣失效前可在負載下操作5 萬至10 萬次。至于不同質量開關間的細微價錢差異,您需要思索到使用的總本錢。因為您不單單要為開關買單,還要為確保開關長時間無故障運行買單。在許多狀況下,使用更可靠的開關所需的額外本錢會被其在使用進程中較低的質保本錢所抵消。

步驟 5:反省機構認證要求

選擇契合各種電氣要求的開關可以幫助您簡化針對不同區域的產品設計。一些主要的標準認證包括美國的UL 認證、加拿大的cUL 認證或CSA 認證、歐洲的ENEC 認證及的CQC 認證。在選擇微動開關時,您需要思索多個因素,如外形尺寸、負載要求、義務環境及可靠性,因此要要了解實際的應用需求:需要多大尺寸的開關?需要的額定功率是多少?是否為高壓應用?開關是否需要密封?開關是否需要承受極端溫度,是否需要組織的認證?是否為關鍵性應用?一旦弄清楚了這些問題,選擇適合該應用的開關就更加容易了。

微動開關

港源電子24年專注電子零部制造行業經驗,具備對產品及程設完全自主開發能力可以,為客戶提供、多品類的產配套及定制化開發,同 CANON 、 三星、LG 等世界 500 強企業長期合作,了解行顧客需求,能夠為顧客提供系統化、已驗證可行性的成熟產品解決方案,85%以上的產品自動化制造覆蓋,確保產品品質穩定和可靠交期證;聯系方式:18705771505

網友熱評