輕觸世界 智造未來

小型化開關零組件品牌商

首頁 行業資訊

如何選擇微動開關廠家、KW10系列

2019-06-27 16:54:29 

現在互聯網這么發達,網絡上充斥著各種各樣的廣告推銷,評論,硬性的軟性的,微動開關供應商哪家好這個問題已經讓消費者無從選擇了。這個時候,我們如何去選擇微動開關非常盲目,但是我們可以從以下幾點來分析微動開關供應商哪家好?當然,首先要根據自身的需求,去選擇相應微動開關,既能實用,又能節省更多資源!


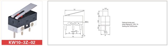
QQ圖片20190627172614

微動開關術語 額定值:一般指作為開關特性和性能的保證基準的值, 例如額定電流、額定電壓等,其前提是特定的條件(負載的種類、電流、電壓、頻率等)。樹脂固定(塑封端子):在端子部位用導線配線后,通過填充樹脂來固定該部分,消除露出的帶電部位來提高防滴性的方法。

絕緣電阻:指非連接端子間、各端子和不帶電金屬部位間、各端子和地間的電阻值。

耐壓:在規定的測定部位加1分鐘高電壓后, 不會引起絕緣損壞的臨界值。

接觸電阻:表示接點的接觸部位的電阻, 但一般表示包含彈簧和端子部位導體電阻的電阻值。

抗振性:誤動作振動 微動開關在使用時, 由于振動閉合的接點在超過規定的時間內不分離的振動范圍。


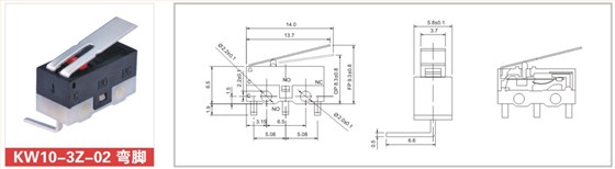
QQ圖片20190627172631

抗沖擊性:耐久沖擊 指微動開關在運輸中或者安裝時不會受到由該機械沖擊帶來的各部位的損傷, 并滿足動作特性的范圍內的沖擊。

誤動作沖擊:指微動開關使用時由于沖擊閉合的接點在超過規定的時間內不分離的沖擊范圍。

機械壽命:指接點不通電,以規定的操作頻率將過行程(OT)設定為規格值使其運行時的開關壽命。

電氣壽命:在接點上連接額定負載,以規定的操作頻率將過行程(OT)設定為規格值進行開關時的開關壽命。

1、選購一款放心的微動開關之前,首先我們要確認這個企業的資質。在全國是否屬于知名公司,資質如何?用戶口碑怎么樣?

2、該企業憑什么能夠提供生產一個高性能高質量的微動開關給用戶呢?這就要確認該企業的資源,是否有強大的技術支持,一般能穩定運營十幾年以上。

3、產品性能,性能穩定,用過的客戶續費率百分之95以上的企業,產品性能肯定不會差!

4、產品價格透明化,不亂收費,好的怕太貴,便宜的又怕不好,所以要掂量產品的性價比,同等的配置,同樣的性能,基本上價格就起決定性的作用了。

5、售后服務,售后服務是否可以做到7*24小時客服+技術服務,及時到位的服務,用戶才會放心。


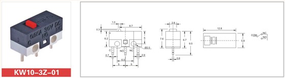
QQ圖片20190627172646

從以上幾點簡單分析了微動開關供應商哪家好大家需要了解的一些基本情況。隨著市場的發展,以及微動開關供應商哪家好,微動開關供應商哪家好,也涉及該微動開關廠家技術門檻,小微動開關參數一般所說的都是常規的,對某些有特需要求的客戶參數都可以改變的,可進入港源電子官網咨詢,我們可以免費提供樣品測試,歡迎來電咨詢!

網友熱評