輕觸世界 智造未來

小型化開關零組件品牌商

首頁 行業資訊

6*6防水輕觸開關型號及規格解析

2018-01-15 15:13:41 

防水輕觸開關很多種,主要就是型號規格不一樣,在不同的產品上使用的防水輕觸開關型號和封裝規格都不一樣。6*6防水輕觸開關是一種常用的防水輕觸開關尺寸,其他的還有7*7、8*8、10*10、12*12等好多種尺寸。就給大家分解6*6防水輕觸開關的型號及封裝規格。

隨著科技的發展,產品質量的要求也就越來越高,人們的生活要求也進入了一個全新的的時代,6*6防水輕觸開關的防水等級也有各種各樣的,當然按照正常的就是防水性能越好的,價格相對要貴一些,由于消費者對產品的品質要求越來越高,所以價格這個問題是不太在乎的,主要就是在乎產品質量,現在每行每業,如果要走得長遠,質量就必須放在重要的位置。

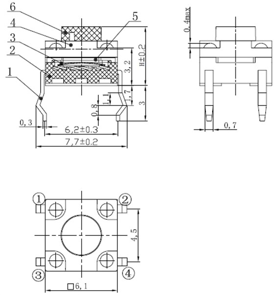
6*6防水輕觸開關KAN0616: 長寬尺寸為:6*6, 高度有4.3mm-12mm不等,可根據客戶的不同要求來進行定制,動作力度為160gf60gf兩種;產品壽命:10萬次;適用于具有防水防塵要求的影音產品數碼產品遙控器安防產品玩具汽車電子儀表儀器醫療器材等方面。

KAN0616實物圖

防水輕觸開關


KAN0616外形圖

尺寸圖


相關參數如下:

工作溫度-20℃to+70℃;額定電流:50mA.12V DC;絕緣電阻:100mΩ min.100V DC;介電強度:250V AC for 1 min;接觸電阻:100mΩ max;開關行程:0.25±0.1mm;由于參數還有好多專業性的,這里就不一一做解。

港源電子創立于1994年,專注于輕觸開關等電子開關插座、變壓器、繼電器系列產品的研發、生產和銷售。產品主要應用于家用電器、3C(計算機、通訊、消費電子)、辦公設備、醫療、安防、個人護理、汽車電子、工業控制等領域。全國服務熱線:18705771505

網友熱評