輕觸世界 智造未來

小型化開關零組件品牌商

首頁 行業資訊

3×3輕觸開關——產品型號KAN0342

2017-12-27 09:53:54 

一個企業在購買輕觸開關的時候,最首要的選擇就是輕觸開關的尺寸,其次是產品的品質。

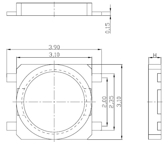
3×3×0.65mm輕觸開關——產品型號KAN0342

20160926082036_2812


基本參數:

產品力度和壽命可供選擇;產品力度:160gf/260gf產品壽命:10萬次/20萬次

外形圖:

20160926082051_7812


KAN0342型號應用廣泛,在智能穿戴數碼產品通訊產品手機平板汽車電子等結構緊湊的電子設備都有應用

智能手表—KAN0342應用案例


20170503181402_6406

智能手環-KAN0342應用案例

20170503181343_6718

港源電子創立于1994年,專注于輕觸開關等電子開關插座、變壓器、繼電器系列產品的研發、生產和銷售。產品主要應用于家用電器、3C(計算機、通訊、消費電子)、辦公設備、醫療、安防、個人護理、汽車電子、工業控制等領域。全國服務熱線:18705771505

網友熱評